High frequency: is the high frequency such as VHF, UHF or SHF, and the unit is generally expressed in MHz (megahertz).
Radio Frequency: Radio Frequency, referred to as RF. Radio frequency is radio frequency current, which is an abbreviation of high frequency alternating electromagnetic wave. The alternating current that changes less than 1,000 times per second is called low-frequency current, and the one that changes more than 10,000 times is called high-frequency current. Radio frequency is such a high-frequency current.
At present, the most widely used automatic identification technology can be roughly divided into two aspects: optical technology and radio technology. Among them, the commonly used products in optical technology are: barcode and camera. These two types of products have been widely used in people’s daily life and are already well known. For example, barcodes are used for commodity management, and cameras are used to capture illegal vehicles.
Microwave: The frequency of microwave is extremely high, and the wavelength is very short. Its transmission characteristics in the air are similar to light waves, that is, it travels in a straight line and is reflected or blocked when it encounters obstacles. Therefore, the main method of microwave communication is line-of-sight communication. It needs to be relayed after the stadia is exceeded.
Microwave communication is communication using electromagnetic waves with a wavelength between 0.1 mm and 1 meter-microwave. Microwave communication does not require a solid medium, and can be used when there is no obstacle in the linear distance between two points. The use of microwaves for communication has large capacity, good quality and can reach a long distance. Therefore, it is an important communication means of the national communication network, and it is also generally applicable to various dedicated communication networks. The L, S, C, and X frequency bands are widely used in microwave communications in China, and the application of the K frequency band is still under development.
Both high frequency and radio frequency refer to the frequency of electromagnetic waves. The difference is that the high frequency is greater than 10K, the radio frequency is 300K-300G, and the radio frequency is a higher frequency band of high frequency. Therefore, the high frequency electromagnetic wave with long-distance transmission capability is called radio frequency. High-frequency electromagnetic waves are called radio frequencies.
6.0~27.5GHz,13×18mm (RF Isolators/RF Circulators)
01
|
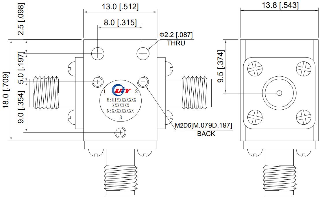
Coaxial Isolator Model: UIYCI1318A |
|
| Freq.Range: 6.0~27.5GHz | Forward Power: 60W |
| IL.: 0.3dB | Reverse Power: 10W |
| Isolation: 23dB | Connector Type: SMA, 2.92mm |
| VSWR: 1.2 | Temp.: -55~+85°C |
| Dimension LxWxH: 13×18×13.8mm | |
RF Characteristics

Mechanical Drawing

02
|
Coaxial Circulator Model: UIYCC1318A |
|
| Freq.Range: 6.0~27.5GHz | Forward Power: 60W |
| IL.: 0.3dB | Reverse Power: 60W |
| Isolation: 23dB | Connector Type: SMA, 2.92mm |
| VSWR: 1.2 | Temp.: -55~+85°C |
| Dimension LxWxH: 13×18×13.8mm | |
RF Characteristics

Mechanical Drawing

03
|
Drop in Isolator Model: UIYDI1318A |
|
| Freq.Range: 17.0~27.5GHz | Forward Power: 30W |
| IL.: 0.5dB | Reverse Power: 5W |
| Isolation: 20dB | Connector Type: TAB |
| VSWR: 1.25 | Temp.: -40~+85°C |
| Dimension LxWxH: 13×18×13.8mm | |
RF Characteristics

Mechanical Drawing

04
|
Drop in Circulator Model: UIYDC1318A |
|
| Freq.Range: 17.0~27.5GHz | Forward Power: 30W |
| IL.: 0.5dB | Reverse Power: 30W |
| Isolation: 20dB | Connector Type: TAB |
| VSWR: 1.25 | Temp.: -40~+85°C |
| Dimension LxWxH: 13×18×13.8mm | |
RF Characteristics

Mechanical Drawing
